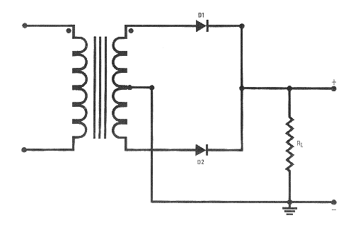
Двухполупериодный выпрямитель — устройство или контур, проводящий ток в течение обеих половин цикла переменного тока. Двухполупериодный выпрямитель состоит из трансформатора с центральным отводом вторичной обмотки, двух диодов и сопротивления нагрузки.

Обратите внимание на основы электричества и на приборы электроники.
Принцип действия двухполупериодного выпрямителя
В течение первой половины цикла переменного тока верхний конец вторичной обмотки положителен, а нижний конец вторичной обмотки отрицателен. Диод D1 находится в состоянии прямого подключения, а диод D2 находится в состоянии обратного подключения, поскольку средняя точка отрицательна относительно положительной стороны вторичной обмотки и положительна относительно отрицательной стороны вторичной обмотки. Ток протекает от средней точки через сопротивление нагрузки, через D1 к положительной стороне вторичной обмотки. Падение напряжения на сопротивлении RL представляет собой положительную полуволну.

В течение второй половины цикла переменного тока верхний конец вторичной обмотки отрицателен, а нижний конец вторичной обмотки положителен. Диод D1 находится в состоянии обратного подключения, а диод D2 находится в состоянии прямого подключения. Как изображено на рисунке 3-7, ток протекает от средней точки через сопротивление нагрузки, через D2 к положительной стороне вторичной обмотки. Падение напряжения на сопротивлении RL снова представляет собой положительную полуволну.

Поскольку ток протекает через сопротивление RL в одном и том же направлении в течение обеих половин цикла входного напряжения, через RL проходят две полуволны в течение каждого полного цикла. Тем не менее, поскольку у этого трансформатора есть средняя точка, падение напряжения на сопротивлении нагрузки представляет собой лишь
половину того, что могло бы быть, если бы нагрузка была соединена ко всей вторичной обмотке.